Ds1820 - Ds18s20 Interfacing With Pic And Avr Microcontroller - The ds18s20 is software compatible with the ds1820 in most applications.

Ds1820 - Ds18s20 Interfacing With Pic And Avr Microcontroller - The ds18s20 is software compatible with the ds1820 in most applications.. The ds18s20 is software compatible with the ds1820 in most applications. The primary specification difference between the two parts is the temperature conversion time: Scalable storage design lets you start small and expand storage capacity with synology dx517 as your data grows. The directory name is composed of the family code of the sensor and its unique identification number. It is widely used to measure temperature in hard environments like in chemical solutions, mines or soil etc.

A driver for the ds1820 temperature sensor using the lpc1768 microcontroller. It is widely used to measure temperature in hard environments like in chemical solutions, mines or soil etc. They work great with any microcontroller using a single digital pin, and you can even connect multiple. Quickly enter the access of compare list to find replaceable electronic parts. Single ds1820 sensor /* * single ds1820 sensor gpio driven * * note:

Ds1820 Stainless Steel Package Waterproof Ds18b20 Temperature Probe Temperature Sensor 18b20 Sensors Aliexpress
Ds1820 Stainless Steel Package Waterproof Ds18b20 Temperature Probe Temperature Sensor 18b20 Sensors Aliexpress from ae01.alicdn.com
Ds18b20 is an improved intelligent temperature sensor newly launched by american dallas semiconductor after ds1820. 0.3 = maximum number of decimal places. Tempoffset can be used for calibrating the. Overview figure 3 shows a block diagram of the ds18b20, and pin descriptions are given in the pin description table. Handy for when you need to measure something far away, or in wet conditions. The directory name is composed of the family code of the sensor and its unique identification number. Maxim integrated ds1820 is available at win source. In each subdirectory there is the file w1_slave containing the sensor status and measured temperature value:

At the command prompt, enter sudo nano /boot/config.txt, then add this to the bottom of the file:

They work great with any microcontroller using a single digital pin, and you can even connect multiple. The directory name is composed of the family code of the sensor and its unique identification number. The resolution of the original ds1820 was only 9 bits. Overview figure 3 shows a block diagram of the ds18b20, and pin descriptions are given in the pin description table. While the sensor is good up to 125°c the cable is jacketed in pvc so we. Scalable storage design lets you start small and expand storage capacity with synology dx517 as your data grows. Also provides power to the device when used in parasite power mode (see the powering the ds18s20 section.) 3 3 vdd optional vdd. Adafruit industries, unique & fun diy electronics and kits ds18b20 digital temperature sensor + extras : Ds1820, ds1820 datasheet, ds1820 digital thermometer, buy ds1820 0.3 = maximum number of decimal places. This architectural difference is invisible to the user. Single ds1820 sensor /* * single ds1820 sensor gpio driven * * note: Sensors of the type ds1820 and ds18s20 have the family code 10, ds18b20 has code 28 and ds1822 the 22.

While the sensor is good up to 125°c the cable is jacketed in pvc so we. The resolution of the original ds1820 was only 9 bits. Single ds1820 sensor /* * single ds1820 sensor gpio driven * * note: It is widely used to measure temperature in hard environments like in chemical solutions, mines or soil etc. 0.3 = maximum number of decimal places.

Dynamic Waterproof Probe Temperature Sensor Ds18b20 Ds1820
Dynamic Waterproof Probe Temperature Sensor Ds18b20 Ds1820 from www.dynamic.me
The ds18s20 is software compatible with the ds1820 in most applications. Additional resolution could be achieved by reading two additional register bytes (count per °c and count remain) and by performing the following calculation. Adafruit industries, unique & fun diy electronics and kits ds18b20 digital temperature sensor + extras : The resolution of the original ds1820 was only 9 bits. In each subdirectory there is the file w1_slave containing the sensor status and measured temperature value: Ds18b20 is an improved intelligent temperature sensor newly launched by american dallas semiconductor after ds1820. Maxim integrated ds1820 is available at win source. A driver for the ds1820 temperature sensor using the lpc1768 microcontroller.

Synology ds1520+ is an ideal nas solution to streamline data management and productivity.

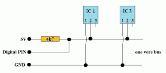
They work great with any microcontroller using a single digital pin, and you can even connect multiple. Tempoffset can be used for calibrating the. It is widely used to measure temperature in hard environments like in chemical solutions, mines or soil etc. In each subdirectory there is the file w1_slave containing the sensor status and measured temperature value: A driver for the ds1820 temperature sensor using the lpc1768 microcontroller. 0.3 = maximum number of decimal places. Synology ds1520+ is an ideal nas solution to streamline data management and productivity. Sensors of the type ds1820 and ds18s20 have the family code 10, ds18b20 has code 28 and ds1822 the 22. The following tutorial demonstrates how to interface multiple ds18b20 on a single bus & get temperature readings from each of them. Scalable storage design lets you start small and expand storage capacity with synology dx517 as your data grows. Buy now buy now download. Don't forget to connect a 4.7k ohm resistor * between the ds1820's data pin and the +3.3v pin. This architectural difference is invisible to the user.

At the command prompt, enter sudo nano /boot/config.txt, then add this to the bottom of the file: The directory name is composed of the family code of the sensor and its unique identification number. Quickly enter the access of compare list to find replaceable electronic parts. Adafruit industries, unique & fun diy electronics and kits ds18b20 digital temperature sensor + extras : This architectural difference is invisible to the user.

Kmtronic Ltd Usb Ds1820 Thermometer
Kmtronic Ltd Usb Ds1820 Thermometer from sigma-shop.com
The following tutorial demonstrates how to interface multiple ds18b20 on a single bus & get temperature readings from each of them. At the command prompt, enter sudo nano /boot/config.txt, then add this to the bottom of the file: While the sensor is good up to 125°c the cable is jacketed in pvc so we. Synology ds1520+ is an ideal nas solution to streamline data management and productivity. The resolution of the original ds1820 was only 9 bits. Sensors of the type ds1820 and ds18s20 have the family code 10, ds18b20 has code 28 and ds1822 the 22. Overview figure 3 shows a block diagram of the ds18b20, and pin descriptions are given in the pin description table. Ds18b20 is an improved intelligent temperature sensor newly launched by american dallas semiconductor after ds1820.

It is widely used to measure temperature in hard environments like in chemical solutions, mines or soil etc.

They work great with any microcontroller using a single digital pin, and you can even connect multiple. It is widely used to measure temperature in hard environments like in chemical solutions, mines or soil etc. The ds18s20 is software compatible with the ds1820 in most applications. The primary specification difference between the two parts is the temperature conversion time: Don't forget to connect a 4.7k ohm resistor * between the ds1820's data pin and the +3.3v pin. Ds1820, ds1820 datasheet, ds1820 digital thermometer, buy ds1820 Overview figure 3 shows a block diagram of the ds18b20, and pin descriptions are given in the pin description table. Scalable storage design lets you start small and expand storage capacity with synology dx517 as your data grows. Single ds1820 sensor /* * single ds1820 sensor gpio driven * * note: Handy for when you need to measure something far away, or in wet conditions. Dallas, alldatasheet, datasheet, datasheet search site for electronic components and. A driver for the ds1820 temperature sensor using the lpc1768 microcontroller. Sensors of the type ds1820 and ds18s20 have the family code 10, ds18b20 has code 28 and ds1822 the 22.

In each subdirectory there is the file w1_slave containing the sensor status and measured temperature value: ds1. Quickly enter the access of compare list to find replaceable electronic parts.